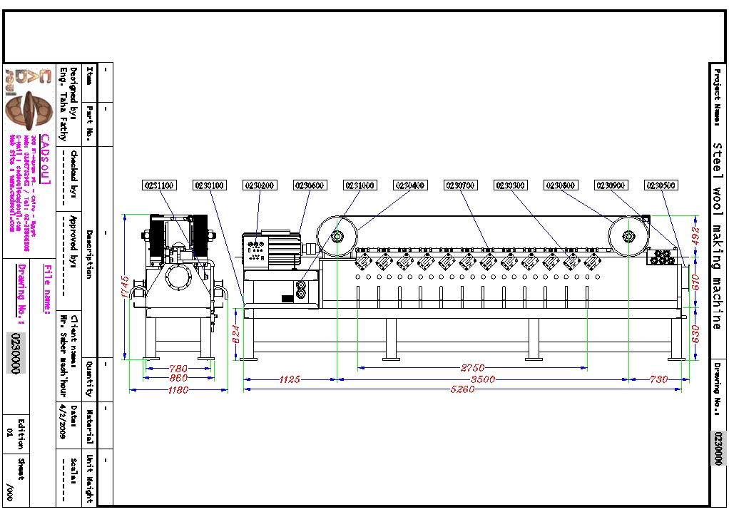
Steel wire is let off from let-off drum under controlled tension
and runs through wire straightening unit and passes through the machine,
pulled by 4 Grooved pulleys located on four corners of the machine.
Totally 24 blade, 12 on either side shave the wires to
generate thin fibers of the wool. Wire after shaving is pulled by wire
pulling arrangement and is wound on the wind-up drum located on the same
side of let-off drum. Steel wool from different plates is combined and
wound on the other side by reciprocating guide. The remaining wire is
passed through the machine three to four times till it has been cut down
to the minimum diameter. Lint and fumes generated while wire is shaved
are exhausted by suction blower through cyclone dust collector to remove
dust particles.
The blades become blunt while shaving and are easily and quickly
exchanged. Blunt blades can be reground, on blade grinding machine.
Two ends of wire while changing let-off drum are butt welded on
wire butt splicing machine.
Steel Wool Plant Requires Following Machines.
-
Reel decoiler machine
-
Wire straightener and pay off
unit
-
Steel Wool Machine
(main machine of the line).
-
Take up machine for residual
wire winding
-
Tearing and Rolling
machine
for wool winding
-
Wire Butt Splicing Machine.
-
Blade Grinding Machine.
-
Cyclone
Dust Collector.

Steel wool machine