Catalog

Design

Drawings

Gallery

 

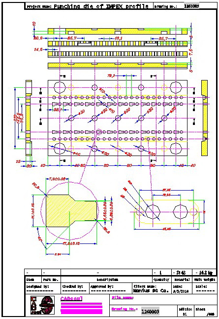
Punching Die

Model PD126