|
|
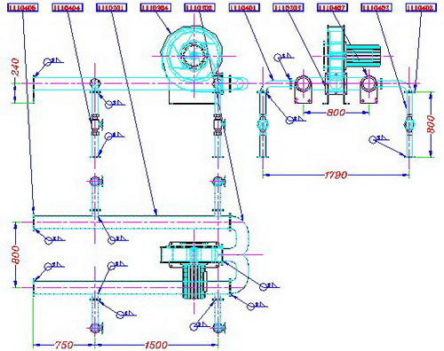
فرن تخمير
السلك
Inline
Annealing furnace
موديل
AF110 |

Technical specifications:
*
wire
annealing furnace model WAF111
* furnace inner dim`s
are length 27 m, width 124 cm, height 99 cm
* furnace outer dim`s
are 27.64 m, 206 cm, 348 cm l*w*h
* furnace total weight
is about 30 ton without bricks weight
* furnace wall thickness
130 mm including refractory bricks
* furnace wall sheet
metal thickness 5 mm
* furnace is devided
into 9 equal sections each of 3 m length
* furnace is provided
with 20 inspection doors along furnace length
* furnace is provided
with 38 wire roll holder along furnace length
* furnace is provided
with 36 burner head along furnace length
* fuel pumping system is
proviede with control valve at each burner
* air blowing system is
provided with control valve at each burner
* spark ignition system
is provided with control panel at each burner
* gas exhaust line has
take off port at each section
* control panel to
operate and stop the furnace totally
* control of each burner
is adjusted from valves near each burner
* electric power
required for furnace is 20 kw 380 v 50 hz
* external fuel tank has
to be connected to furnace fuel system
* temperature adjustment
through control valves and wire speed
* furnace accepts 48
wire of 10 mm max. dia. and 1200 c° max. temp.
|