|
|
ماكينة الحلقات
المعدنية
موديل RM117 |

ماكينة لتصنيع حلقات من سلك السوستة قطر 0,7 مم وقطر
الحلقات 12 مم .
يمكن تصنيع حلقات بمقاسات
أخري ويجب تغيير طقم التشكيل لكل مقاس جديد
الطاقة الإنتاجية للماكينة هي 300 قطعة في الدقيقة .
الماكينة تعمل بموتور كهربي 1/2 حصان
الموتور الكهربي مزودة بصندوق تروس مخفض للسرعة
جسم الماكينة مصنع من خامات الصلب عالية الجودة ومعالج من
الخارج ضد الصدأ
الماكينة مصنعة بمكونات أوروبية الصنع مثل الموتور والقطع
الكهربية ومحاور البلي والخامات القاطعة
السكاكين القاطعة مصنعة من خامات الصلب الموصف ومعالجة
حراريا








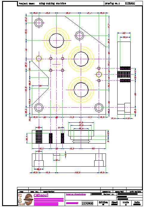
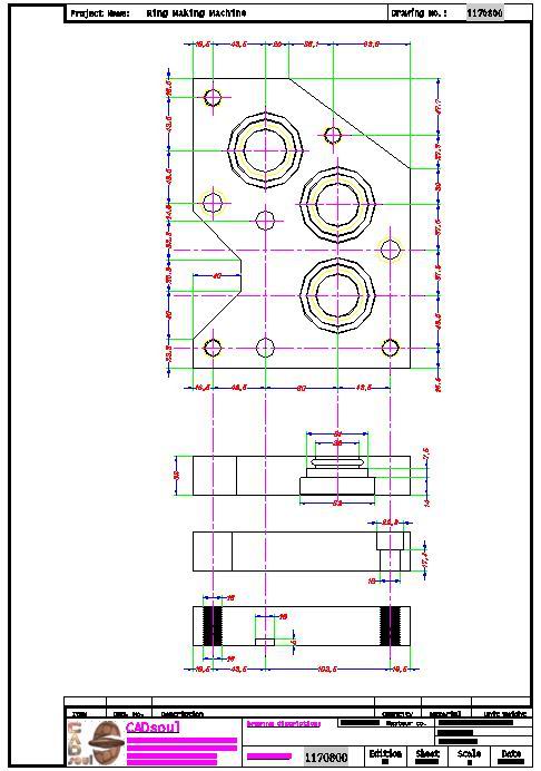
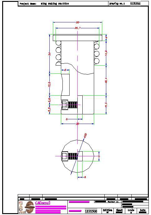
الأجزاء التي يتم تصنيعها في
الماكينة |